Federal Regulations Pertaining to Obstruction and Aviation Lighting
The following referenced areas of Code of Federal Regulations and FAA Advisory Circulars are provided by WirelessEstimator.com to assist those interested in obtaining answers to the most often asked questions regarding obstruction lighting and marking as well as reporting and monitoring requirements for tower owners. It is not intended to provide guidance to ensure full compliance with all regulatory requirements.

Referenced Documents:
Code of Federal Regulations:
• Title 47 Telecommunications Part 17 Construction, marking, and lighting of antenna structures
• Title 14 Aeronautics and Space Part 77 Objects affecting navigable airspace
FAA Advisory Circulars:
• AC 70/7460-1K
• AC 150/5345-43E
• AC 150/5345-53B
* Referenced Documents may be abridged but are not modified
* Areas Highlighted in BLUE are of special interest
Introduction:
Purpose.
The standards referenced in this document were created to ensure the safety of United States airspace. Any deviation from the regulations as stated will result in unsafe conditions in United States airspace.
Code of Federal Regulations.
Pursuant to chapter 15 of title 44, United States Code, the Director of the Federal Register shall publish periodically a special edition of the FEDERAL REGISTER to present a compact and practical code called the ‘‘Code of Federal Regulations’’, to contain each Federal regulation of general applicability and legal effect.
Advisory Circulars.
The Advisory Circular (AC) system became effective in 1962. It provides a single, uniform, agency-wide system that the Federal Aviation Administration (FAA) uses to deliver advisory material to FAA customers, industry, the aviation community, and the public. The AC system provides guidance such as methods, procedures, and practices acceptable to the Administrator for complying with regulations and grant requirements. AC’s may also contain explanations of regulations, otherguidance material, best practices, or information useful to the aviation community. They do not create or change a regulatory requirement.

Summary.
The Advisory Circular system is a collection of documents presenting recommendations for FAA customers, industry, the aviation community, and the public.
These AC’s are only recommendations until referenced in the Code of Federal Regulations. Once referenced in the CFR, the AC’s as well as the CFR itself have enforcement provisions.
Title 47 CFR Part 17
Subpart A- General Information
§ 17.1 Basis and purpose.
(a) The rules in this part are issued pursuant to the authority contained in Title III of the Communications Act of 1934, as amended, which vest authority in the Federal Communications Commission to issue licenses to radio stations when it is found that the public interest, convenience, and necessity would be served thereby, and to require the painting, and/or illumination of antenna structures if and when in its judgment such structures constitute, or there is reasonable possibility that they may constitute, a menaceto air navigation.
(b) The purpose of this part is to prescribe certain procedures for antenna structure
registration and standards with respect to the Commission’s consideration of proposed antenna structures which will serve as a guide to antenna structure owners. The standards are referenced from two Federal Aviation Administration (FAA) Advisory Circulars.
[61 FR 4362, Feb. 6, 1996]
§ 17.2 Definitions.
(a) Antenna structure. The term antenna structure includes the radiating and/or receive system, its supporting structures and any appurtenances mounted thereon.
(b) An antenna farm area is defined as a geographical location, with established
boundaries, designated by the Federal Communications Commission, in which antenna towers with a common impact on aviation may be grouped.
(c) Antenna structure owner. For the purposes of this part, an antenna structure owner is the individual or entity vested with ownership, equitable ownership, dominion, or title to the antenna structure. Notwithstanding any agreements made between the owner and any entity designated by the owner to maintain the antenna structure, the owner is ultimately responsible for compliance with the requirements of this part.
§ 17.6 Responsibility of Commission licensees and permittees.
(a) The antenna structure owner is responsible for maintaining the painting and lighting in accordance with this part. However, if a licensee or permittee authorized on an antenna structure is aware that the structure is not being maintained in accordance with the specifications set forth on the Antenna Structure Registration (FCC Form 854R) or the requirements of this part, or otherwise has reason to question whether the antenna structure owner is carrying out its responsibility under this part, the licensee or permittee must take immediate steps to ensure that the antenna structure is brought into complianceand remains in compliance. The licensee must:
(1) Immediately notify the structure owner;
(2) Immediately notify the site management company (if applicable);
(3) Immediately notify the Commission; and,
(4) Make a diligent effort to immediately bring the structure into compliance.
(b) In the event of non-compliance by the antenna structure owner, the Commission may require each licensee and permittee authorized on an antenna structure to maintain the structure, for an indefinite period, in accordance with the Antenna Structure Registration (FCC Form 854R) and the requirements of this part.
Subpart C- Specifications for Obstruction Marking and Lighting of Antenna Structures
§ 17.21 Painting and lighting, when required.
Antenna structures shall be painted and lighted when:
(a) They exceed 60.96 meters (200 feet) in height above the ground or they require
special aeronautical study.
(b) The Commission may modify the above requirement for painting and/or lighting of
antenna structures, when it is shown by the applicant that the absence of such marking would not impair the safety of air navigation, or that a lesser marking requirement would insure the safety thereof.
[32 FR 11269, Aug. 3, 1967, as amended at 42 FR 54824, Oct. 11, 1977]
§ 17.22 Particular specifications to be used.
Whenever painting or lighting is required, the Commission will generally assign specifications in accordance with the FAAAdvisory Circulars referenced in § 17.23. If an antenna installation is of such a nature that its painting and lighting in accordance with these specifications are confusing, orendanger rather than assist airmen, or are otherwise inadequate, the Commission will specify the type of painting and lighting or other marking to be used in the individual situation.
[32 FR 11269, Aug. 3, 1967, as amended at 61 FR 4363, Feb. 6, 1996]
§ 17.23 Specifications for painting and lighting antenna structures.
Unless otherwise specified by the Commission, each new or altered antenna
structure to be registered on or after January 1, 1996, must conform to the FAA’s
painting and lighting recommendations set forth on the structure’s FAA determination of ‘‘no hazard,’’ as referenced in the following FAA Advisory Circulars: AC 70/7460–1J, ‘‘Obstruction Marking and Lighting,’’ effective January 1, 1996, and AC 150/5345–43E, ‘‘Specification for Obstruction Lighting Equipment,’’ dated October 19, 1995. These documents are incorporated by reference in accordance with 5 U.S.C. 552(a). The documents contain FAA recommendations for painting and lighting structures which pose a potential hazard to air navigation. For purposes of this part, the specifications,standards, and general requirements stated in these documents are mandatory. The Advisory Circulars listed are available for inspection at the Commission Headquarters in Washington, DC, or may be obtained from Department of Transportation, Property Use and Storage Section, Subsequent Distribution Office, M483.6, Ardmore East Business Center, 3341 Q 75th Avenue, Landover, MD 20785, telephone (301) 322–4961, facsimile (301) 386–5394. Copies are also available for public inspection at the Office of the Federal Register, 800 North Capitol Street, Suite 700, Washington, DC.
[64 FR 27474, May 20, 1999]
§ 17.47 Inspection of antenna structure lights and associated control equipment.
The owner of any antenna structure which is registered with the Commission and has
been assigned lighting specifications referenced in this part:
(a) (1) Shall make an observation of the antenna structure’s lights at least once each 24 hours either visually or by observing an automatic properly maintained indicator designed to register any failure of such lights, to insure that all such lights are functioning properly as required; or alternatively,
(2) Shall provide and properly maintain an automatic alarm system designed to detect any failure of such lights and to provide indication of such failure to the owner.
(b) Shall inspect at intervals not to exceed 3 months all automatic or mechanical control devices, indicators, and alarm systems associated with the antenna structure lighting to insure that such apparatus is functioning properly.
§ 17.48 Notification of extinguishment or improper functioning of lights.
The owner of any antenna structure which is registered with the Commission and has
been assigned lighting specifications referenced in this part:
(a) Shall report immediately by telephone or telegraph to the nearest Flight Service
Station or office of the Federal Aviation Administration any observed or otherwise
known extinguishment or improper functioning of any top steady burning light or any
flashing obstruction light, regardless of its position on the antenna structure, not corrected within 30 minutes. Such reports shall set forth the condition of the light or lights, the circumstances which caused the failure, the probable date for restoration of service, the FCC Antenna Structure Registration Number, the height of the structure (AGL and AMSL if known) and the name, title, address, and telephone number of the person making the report. Further notification by telephone or telegraph shall be given immediately upon resumption of normal operation of the light or lights.
(b) An extinguishment or improper functioning of a steady burning side intermediate
light or lights, shall be corrected as soon as possible, but notification to the FAA of such extinguishment or improper functioning is not required.
[32 FR 11273, Aug. 3, 1967, as amended at 39 FR 26157, July 17, 1974; 40 FR 30267, July 18, 1975; 61 FR 4364, Feb. 6, 1996]
§ 17.49 Recording of antenna structure light inspections in the owner record.
The owner of each antenna structure which is registered with the Commission and has been assigned lighting specifications referenced in this part must maintain a record of any observed or otherwise known extinguishment or improper functioning of a structure light and include the following information for each such event:
(a) The nature of such extinguishment or improper functioning.
(b) The date and time the extinguishment or improper operation was observed or
otherwise noted.
(c) Date and time of FAA notification, if applicable.
(d) The date, time and nature of adjustments, repairs, or replacements made.
[48 FR 38477, Aug. 24, 1983, as amnded at 61 FR 4364, Feb. 6, 1996]
§ 17.51 Time when lights should be exhibited.
(a) All red obstruction lighting shall be exhibited from sunset to sunrise unless otherwise specified.
(b) All high intensity and medium intensity obstruction lighting shall be exhibited
continuously unless otherwise specified.
[40 FR 30267, July 18, 1975, as amended at 61 FR 4364, Feb. 6, 1996]
Title 14 CFR Part 77
Subpart A- General
§ 77.1 Scope.
This part:
(a) Establishes standards for determining obstructions in navigable airspace;
(b) Sets forth the requirements for notice to the Administrator of certain proposed
construction or alteration;
(c) Provides for aeronautical studies of obstructions to air navigation, to determine their effect on the safe and efficient use of airspace;
(d) Provides for public hearings on the hazardous effect of proposed construction or
alteration on air navigation; and
(e) Provides for establishing antenna farm areas.
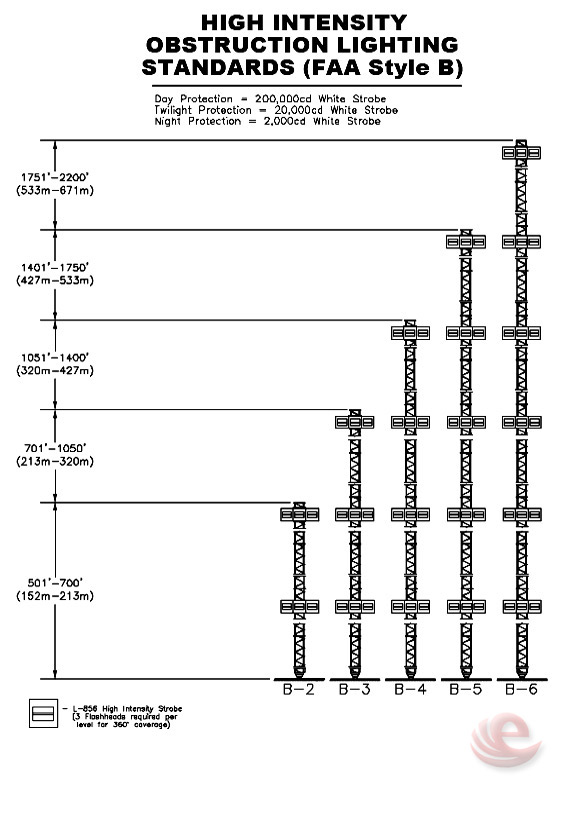
AC 70/7460-1K
(Effective March 1, 2000) (Change 1 Effective August 1, 2000)
(Cancellation of AC 70/7460-1J dated January 1, 1996)
CHAPTER 1. ADMINISTRATIVE AND GENERAL PROCEDURES
1. REPORTING REQUIREMENTS
A sponsor proposing any type of construction or alteration of a structure that may affect the National Airspace System (NAS) is required under the provisions of 14 Code ofFederal Regulations (14 CFR part 77) to notify the FAA by completing the Notice of Proposed Construction or Alteration form (FAA Form 7460-1). The form should be sent to the FAA Regional Air Traffic Division office having jurisdiction over the area where the planned construction or alteration would be located. Copies of FAA Form 7460-1 may be obtained from any FAA Regional Air Traffic Division office, Airports District Office or FAA Website at http://www.faa.gov/ats/ata/ata400/index.html.
4. SUPPLEMENTAL NOTICE REQUIREMENT
a. If required, the FAA will include a FAA Form 7460-2, Notice of Actual Construction
or Alteration, with a determination.
b. FAA Form 7460-2 Part 1 is to be completed and sent to the FAA at least 48 hours prior to starting the actual construction or alteration of a structure. Additionally, Part 2 shall be submitted no later than 5 days after the structure has reached its greatest height. The form should be sent to the Regional Air Traffic Division office having jurisdiction over the area where the construction or alteration would be located.
5. MODIFICATIONS AND DEVIATIONS
a. Requests for modification or deviation from the standards outlined in this AC must be submitted to the FAA Regional Air Traffic Division office serving the area where the structure would be located. The sponsor is responsible for adhering to approved marking and/or lighting limitations, and/or recommendations given, and should notify the FAA and FCC (for those structures regulated by the FCC) prior to removal of marking and/or lighting. A request received after a determination is issued may require a new study and could result in a new determination.
d. The FAA strongly recommends that sponsors become familiar with the different types of lighting systems and to specifically request the type of lighting system desired when submitting FAA Form 7460-1. (This request should be noted in “item 2.D” of the FAA form.) Information on these systems can be found in Chapter 12, Table 4 of this AC. While the FAA will make every effort to accommodate the request, sponsors should also request information from system manufacturers. In order to determine which system best meets their needs based on purpose, installation, and maintenance costs.
6. ADDITIONAL NOTIFICATION
Sponsors are reminded that any change to the submitted information on which the FAA has based its determination, including modification, deviation or optional upgrade to white lighting on structures which are regulated by the FCC, must also be filed with the FCC prior to making the change for proper authorization and annotations of obstruction marking and lighting. These structures will be subject to inspection and enforcement of marking and lighting requirements by the FCC. FCC Forms and Bulletins can be obtained from the FCC’s National Call Center at 1-888-CALL-FCC (1-888-225-5322). Upon completion of the actual change, notify the Aeronautical Charting office at:
NOAA/NOS
Aeronautical Charting Division
Station 5601, N/ACC113
1305 East-West Highway
Silver Spring, MD 20910-3233
CHAPTER 2. GENERAL
22. MARKING AND LIGHTING EQUIPMENT
Considerable effort and research have been expended in determining the minimum
marking and lighting systems or quality of materials that will produce an acceptable level of safety to air navigation. The FAA will recommend the use of only those marking and lighting systems that meet established technical standards. While additional lights may be desirable to identify an obstruction to air navigation and may, on occasion be recommended, the FAA will recommend minimum standards in the interest of safety, economy, and related concerns. Therefore, to provide an adequate level of safety, obstruction lighting systems should be installed, operated, and maintained in accordance with the recommended standards herein.
23. LIGHT FAILURE NOTIFICATION
a. Sponsors should keep in mind that conspicuity is achieved only when all recommended lights are working. Partial equipment outages decrease the margin of safety. Any outage should be corrected as soon as possible. Failure of a steady burning side or intermediate light should be corrected as soon as possible, but notification is not required.
b. Any failure or malfunction that lasts more than thirty (30) minutes and affects a top
light or flashing obstruction light, regardless of its position, should be reported
immediately to the nearest flight service station (FSS) so a Notice to Airmen (NOTAM) can be issued. Toll-free numbers for FSS are listed in most telephone books or on the FAA’s Website at www.faa.gov/ats/ata/ata400. This report should contain the following information:
1. Name of persons or organizations reporting light failures including any title,
address, and telephone number.
2. The type of structure.
3. Location of structure (including latitude and longitude, if known, prominent
structures, landmarks, etc.).
4. Height of structure above ground level (AGL)/above mean sea level (AMSL), if known.
5. A return to service date.
6. FCC Antenna Registration Number (for structures that are regulated by the FCC).
Note-
1. When the primary lamp in a double obstruction light fails, and the secondary lamp comes on, no report is required. However, when one of the lamps in an incandescent L-864 flashing red beacon fails, it should be reported.
2. After 15 days, the NOTAM is automatically deleted from the system. The sponsor is requested to call the nearest FSS to extend the outage date. In addition, the sponsor is required to report a return to service date.
24. NOTIFICATION OF RESTORATION
As soon as normal operation is restored, notify the same AFSS/FSS that received the notification of failure. The FCC advises that noncompliance with notification procedures could subject its sponsor to penalties or monetary forfeitures.
CHAPTER 4. LIGHTING GUIDELINE
41. STANDARDS
The standards outlined in this AC are based on the use of light units that meet specified intensities, beam patterns, color, and flash rates as specified in AC 150/5345-43. These standards may be obtained from:
Department of Transportation
TASC
Subsequent Distribution Office, SVC-121.23
Ardmore East Business Center
3341 Q 75th Avenue
Landover, MD 20785
44. INSPECTION, REPAIR AND MAINTENANCE
To ensure the proper candela output for fixtures with incandescent lamps, the voltage
provided to the lamp filament should not vary more than plus or minus 3 percent of the
rated voltage of the lamp. The input voltage should be measured at the lamp socket with the lamp operating during the hours of normal operation. (For strobes, the input voltage of the power supplies should be within 10 percent of rated voltage.) Lamps should be replaced after being operated for not more than 75 percent of their rated life or immediately upon failure. Flashtubes in a light unit should be replaced immediately upon failure, when the peak effective intensity falls below specification limits or when the fixture begins skipping flashes, or at the manufacturer’s recommended intervals. Due to the effects of harsh environments, beacon lenses should be visually inspected for ultraviolet damage, cracks, crazing, dirt build up, etc., to insure that the certified light output has not deteriorated. (See paragraph 23, for reporting requirements in case of failure.)
47. MONITORING OBSTRUCTION LIGHTS
Obstruction lighting systems should be closely monitored by visual or automatic means. It is extremely important to visually inspect obstruction lighting in all operating
intensities at least once every 24 hours on systems without automatic monitoring. In the event a structure is not readily accessible for visual observation, a properly maintained automatic monitor should be used. This monitor should be designed to register the malfunction of any light on the obstruction regardless of its position or color. When using remote monitoring devices, the communication status and operational status of the system should be confirmed at least once every 24 hours. The monitor (aural or visual) should be located in an area generally occupied by responsible personnel. In some cases, this may require a remote monitor in an attended location. For each structure, a log should be maintained in which daily operations status of the lighting system is recorded. Beacon lenses should be replaced if serious cracks, crazing, dirt build up, etc., has occurred.
AC 150/5345-43E
1. PURPOSE.
This advisory circular (AC) contains the Federal Aviation Administration (FAA) specification for obstruction lighting equipment.
2. EFFECTIVE DATE.
Effective 6 months after the date of this circular, only that equipment qualified in accordance with this specification will be listed in AC 150/5345-53, Airport Lighting Equipment Certification Program.
3. CANCELLATION.
AC 150/5345-43D, Specification for Obstruction Lighting Equipment, dated July 15, 1988, is canceled.
AC 150/5345-53B
1. PURPOSE.
This advisory circular (AC) describes the Airport Lighting Equipment Certification Program (ALECP). It provides information on how an organization can get Federal Aviation Administration (FAA) acceptance as a third party certification body (third party certifier) and how manufacturers may get equipment qualified under the program. It includes a list of FAA accepted certification bodies and a list of products that are certified under the program. This AC does not impose requirements or mandate participation in the ALECP by any party. The AC is intended only to describe the criteria that FAA will use to determine whether a certification body qualifies for participation and how equipment may be qualified.
2. CANCELLATION.
AC 150/5345-53A, Airport Lighting Equipment Certification Program, dated May 15, 1995, is cancelled.
3. BACKGROUND.
Until December 31, 1989, the FAA administered the Airport Lighting Approval Program under the Federal airport grant programs. Under this program the FAA inspected equipment to confirm that it met FAA standards and to ensure quality control. The program was discontinued as of December 31, 1989, as a result of declining FAA resources. The listing of equipment in AC 150/5345-1, Approved Lighting Equipment, was no longer maintained.
On January 1, 1990, a new program was established which named a commercial testing laboratory under the oversight of an Industry Technical Advisory Committee (ITAC), as the program certification body. On May 15, 1995, the FAA, realizing that there were additional commercial laboratories that may want to participate as certification bodies instituted and established the Airport Lighting Equipment Certification Program. This program provided that any commercial laboratory meeting certain criteria may participate as a certification body and provided for FAA oversight and acceptance of certification bodies. Under the ALECP, the FAA has established a list of accepted certification bodies.
The certification bodies evaluate and certify airport lighting equipment and license
suppliers to mark qualifying products. The FAA maintained a list of certified equipment as part of the AC. This list was provided to assist airport sponsors in discharging their duty to determine that equipment met the applicable FAA specifications, which is required for eligibility for funding under Federal grant assistance program for airports.
This AC, as a continuing refinement of the ALECP, institutes and establishes a
recertification requirement for the equipment under ALECP (Appendix 2) and a list of the type of equipment with their applicable ACs which are under this program (Appendix 3). Lists of currently certified equipment and of manufacturers' addresses are maintained by the FAA on the Internet.
APPENDIX 2. EQUIPMENT QUALIFICATION PROCEDURES.
2. EQUIPMENT COVERED BY THE QUALIFICATION PROGRAM.
The equipment included in the 150 series of ACs, as listed in appendix 3 of this AC, is covered by the qualification program. The equipment covered may be changed
periodically to reflect changing needs in airport equipment.
7. MODIFICATIONS TO EQUIPMENT.
Once an equipment type has been certified, the manufacturer may not make any changes in the equipment without submission of the changes to and recertification by the third party certification body. Requests for design or component changes must be submitted in writing to the third party certification body and must be accompanied by supporting documentation plus (if applicable) copies of the revised instruction manual pages which reflect the proposed change. The third party certifier will review the modification. If acceptable and required, it will issue a revised Certificate of Conformance. Substitution of stock electrical items such as resistors, capacitors, transistors, etc., which are identical in form, fit, and function and which are equal or better in quality and rating is permissible. Although such substitution does not necessarily require recertification, the manufacturer shall supply the third party certifier a list of the substituted items for filing with the inspection records. This exception does not apply to lamps.
|